梅特勒托利多SLB515称重传感器介绍
	SLB515称重传感器是一种密封的不锈钢称重传感器,带有螺纹负载引入。通常,它用于罐体称重和工业环境中的地板秤。可用容量为110,220,550千克和1.1,2.2和4.4吨。
	
	量程范围从110kg到4.4t,由罐和筒仓的称重组成。不锈钢设计,气密密封和IP68/IP69K保护为过程和食品应用中的恶劣环境中的罐和罐式称重应用提供了最佳可靠性。
	
梅特勒托利多SLB515称重传感器特点
1.OIML C3和NTEP III M 5K认证
2.ATEX Zone1 / 2和21/22认证
3.美国和加拿大的FM Class I,II,III Div 1和2认证
4.不锈钢材质
5.密封设计
6.IP68,IP69K防护等级
梅特勒托利多SLB515称重传感器技术参数
| 参数 | 值 | 单位 | 
| 型号 | SLB515 | |
| 额定量程 | 110,220,550,1100,2200,4400 | kg | 
| 灵敏度 | 1.94±0.1% | mv/v | 
| 重复性误差 | <0.01 | %R.C. | 
| 综合误差 | <0.02 | %R.C. | 
| 非线性 | <0.017 | %R.C. | 
| 蠕变(30分钟) | <0.017 | %R.C. | 
| 零点输出 | <1 | %R.C. | 
| 温度补偿范围 | -10~+40 | ℃ | 
| 使用温度范围 | -40~+65 | ℃ | 
| 存储温度范围 | -40~+80 | ℃ | 
| 灵敏度温度系数 | <0.001 | %R.c.y℃ | 
| 零点温度系数 | <0.0013 | %R.c.y℃ | 
| 输入阻抗 | 382±4 | Ω | 
| 输出阻抗 | 350±1 | Ω | 
| 绝缘电阻 | >5000 | MΩ | 
| 建议激励电压 | 5~15 | V(DC/AC) | 
| 最大激励电压 | 20 | V(DC/AC) | 
| 安全过载 | 150 | %R.C. | 
| 极限过载 | 300 | %R.C. | 
| 防护等级 | IP68/IP69K | |
| 电缆长度 | 3,5,10 | m | 
| 材质 | 不锈钢 | |
| 扭矩 | 120 | N.m | 
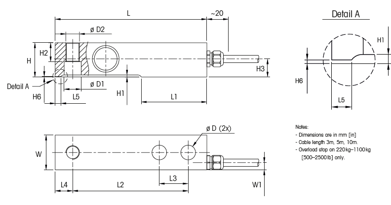
梅特勒托利多SLB515称重传感器外形尺寸
	
| 量程 | D(2x) | D1 | D2 | H | H1 | H2 | H3 | H6 | L | L1 | L2 | L3 | L4 | L5 | W | W1 | 
| 220–1100kg | 13.0 | 12.5 | M12 | 30.2 | 1.8 | 20 | 16.0 | 0.48 | 133.4 | 56.5 | 101.6 | 25.4 | 15.4 | 6.4 | 30.7 | 6.5 | 
| 2200kg | 13.0 | 12.5 | M12 | 36.6 | 2.6 | 20 | 19.6 | 2.6 | 136.7 | 55.6 | 101.6 | 25.4 | 18.4 | – | 36.8 | 6.0 | 
| 4400kg | 20.5 | 22.2 | M20 | 42.9 | 2.5 | 20 | 22.7 | 2.5 | 171.5 | 53.8 | 133.4 | 38.1 | 21.4 | – | 42.9 | 6.0 | 
上一篇:梅特勒托利多0745A称重传感器    下一篇:梅特勒托利多SLB415称重传感器 
            